学习好似一片沃土,只要辛勤耕耘,定会有累累的硕果;如若懒于劳作,当别人跳起丰收之舞时,你已是后悔莫及了以下就是学而思1对1小编为大家准备的初三物理单选题11-15参考答案与解析,这是陈琦老师为大家准备的资料,希望对大家有帮助!
初三物理单选题
参考答案与解析
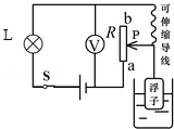
11.如图所示为某科技创新小组设计的水位计工作原理图,容器中的绝缘浮子随水位的升降带动滑动变阻器R的滑片P升降,并通过电压表V显示的数据来反应水位的升降情况。L是一个指示灯,电路各部分接触良好。当容器中的水位最低时,滑片P位于变阻器R的a端,则()

A.当水位不变时,电压表V示数不变,指示灯L不亮
B.当水位上升时,电压表V示数变小,指示灯L变亮
C.当水位上升时,电压表V示数变大,指示灯L变暗
D.当水位下降时,电压表V示数变大,指示灯L变亮
【分析】(1)当水位不变时,电路为通路,指示灯发光,变阻器接入电路中的电阻不变时电压表的示数不变;
(2)由电路图可知,指示灯与变阻器串联,电压表测变阻器两端的电压,根据水位的变化可知浮子的移动、滑片的移动,进一步可知变阻器接入电路中电阻的变化,根据欧姆定律可知电路中电流的变化和指示灯两端的电压变化,根据串联电路的电压特点可知变阻器两端的电压变化,根据P=UI可知灯泡实际功率的变化,进一步可知灯泡亮暗的变化。
【解答】解:(1)当水位不变时,当水位不变时,电路处于通路状态,灯泡发光,
此时变阻器接入电路中的电阻不变,变阻器两端的电压不变,即电压表的示数不变,故A不正确;
(2)当水位上升时,浮子带动滑片上移,变阻器接入电路中的电阻变大,由I=可知,电路中的电流变小,指示灯两端的电压变小;
因串联电路中总电压等于各分电压之和,所以变阻器两端的电压变大,即电压的示数变大;
由P=UI可知,指示灯的实际功率变小,灯泡变暗,故B不正确,C正确;
反之,当水位下降时,浮子带动滑片下移,接入电路中的电阻变小,指示灯的实际功率变大,指示灯变亮,电压表的示数变小,故D不正确。
故选:C。
【点评】本题考查了电路图的动态分析,涉及到串联电路的特点和欧姆定律、电功率公式的应用,要注意灯泡的亮暗取决于实际功率的大小。
12.如图所示,对于图片中所描述的物理过程,下列分析中正确的是()
A.

厚玻璃内的空气被压缩时,空气的内能减少
B.

瓶子内的空气推动塞子跳起时,空气的内能增大
C.

试管内的水蒸气推动了塞子冲出时,水蒸气的内能减少
D.

汽缸内的气体推动活塞向下运动时,气体的内能增大
【分析】(1)根据温度与内能的关系和做功可以改变物体的内能角度分析解答问题。
(2)做功可以改变物体的内能,当外界对物体做功时,物体的内能增大,当物体对外界做功时,物体的内能就会减小。
【解答】解:
A、图中厚玻璃内的空气被压缩时,活塞对空气做功,瓶内空气的内能增加,温度升高,故A错误;
B、图中瓶子内的空气推动塞子跳起时,空气对活塞做功,空气的内能减小,故B错误;
C、图中试管内的水蒸气推动了塞子冲出时,水蒸气对塞子做功,水蒸气的内能减少,温度降低,故C正确;
D、图中汽缸内的气体推动活塞向下运动时(即做功冲程),内能转化为机械能,气体的内能减少,故D错误。
故选:C。
【点评】本题考查做功改变物体的内能,当外界对物体做功时,物体的内能增大,当物体对外界做功时,物体的内能就会减小。
13.水的比热容较大,下列做法中不是利用这一特性的是()
A.炎热的夏天,在室内地上洒水感到凉爽
B.用水做内燃机的冷却液
C.在城市里修建人工湖,除了美化环境外,还能调节周围的气温
D.供暖系统使用热水循环供暖
【分析】对水的比热容大的理解:相同质量的水和其它物质比较,吸收或放出相同的热量,水的温度升高或降低的少;升高或降低相同的温度,水吸收或放出的热量多;
水分的蒸发会从周围吸热而降低周围环境的温度,即蒸发吸热。
【解答】解:A、炎热的夏天,在室内地面上洒水,水蒸发会从周围吸热而降低周围环境的温度,使人感到凉爽,不是利用水的比热容大的特点,符合题意,故A正确;
B、因为水的比热容较大,升高相同的温度,水吸收的热量多,所以用水做内燃机的冷却液,不符合题意,故B错;
C、在城市里修建人工湖,水增多,因为水的比热容较大,白天,水吸收热量,温度升高的少;夜晚,水放出热量,温度降低的少,能调节周围的气温,不符合题意,故C错;
D、因为水的比热容较大,降低相同的温度,水放出的热量多,所以冬天供暖系统使用热水循环供暖,不符合题意,故D错。
故选:A。
【点评】本题考查了蒸发吸热、水的比热容大的特点的应用,应用所学知识,解释了实际问题,体现了新课标的要求,属于中考热点题目。
14.泡茶时茶香四溢,下列说法正确的是()

A.茶香四溢是扩散现象,说明分子间有力的作用
B.泡茶的水温度越高,分子热运动越剧烈
C.茶水冷却过程中,茶水的内能不断增加
D.茶水冷却过程中,茶水的内能是通过做功的方式改变的
【分析】(1)根据分子动理论的内容回答:物质都是由分子组成的,分子在永不停息地做无规则运动,物体温度越高分子的无规则运动越剧烈;
(2)影响内能大小的因素是质量、温度和状态;
(3)改变物体内能的方式有两种:做功和热传递,热传递过程是能量的转移过程,而做功过程是能量的转化过程。
【解答】解:
A、茶香四溢是因为茶水的香味分子不停地做无规则的运动,扩散到空气中,故A错误;
B、物体温度越高分子的无规则运动越剧烈,所以茶水温度越高,分子的热运动越剧烈,故B正确;
C、茶水在变冷的过程中,放出热量,温度降低,内能不断减少,故C错误;
D、茶水在变冷的过程中,向周围空气放出热量,属于热传递改变物体的内能,故D错误。
故选:B。
【点评】本题考查了影响内能大小的因素、改变内能的方法以及分子运动的有关知识,综合性强。
15.如图所示,对于图片中所描述的物理过程,下列分析中正确的是()

A.图甲,厚玻璃内的空气被压缩时,空气的内能减少
B.图乙,瓶子内的空气推动塞子跳起时,空气的内能增大
C.图丙,试管内的水蒸气推动了塞子冲出时,水蒸气的内能减少
D.图丁,汽缸内的气体推动活塞向下运动时,气体的内能增大
【分析】(1)根据温度与内能的关系和做功可以改变物体的内能角度分析解答问题。
(2)做功可以改变物体的内能,当外界对物体做功时,物体的内能增大,当物体对外界做功时,物体的内能就会减小。
【解答】解:A、图甲,厚玻璃内的空气被压缩时,活塞对空气做功,瓶内空气温度升高,空气的内能增加;故A错误;
B、图乙,瓶子内的空气推动塞子跳起时,空气对活塞做功,空气的内能减小;故B错误;
C、图丙,试管内的水蒸气推动了塞子冲出时,水蒸气对塞子做功,水蒸气的内能减少;故C正确;
D、图丁,汽缸内的气体推动活塞向下运动时(即做功冲程),内能转化为机械能,气缸内气体的内能减少;故D错误。
故选:C。
【点评】本题考查做功改变物体的内能,当外界对物体做功时,物体的内能增大,当物体对外界做功时,物体的内能就会减小。
以上就是学而思1对1小编为大家准备的初三物理单选题11-15参考答案与解析,希望对大家有帮助,欢迎咨询学而思:4000-121-121






