上海站
返回
切换城市
所有城市
北京
上海
广州
深圳
天津
南京
成都
杭州
西安
武汉
首页
免费资料
个性化团课
展开
首页
小学资讯
中考资讯
高考资讯
免费资料
99元买快课
免费1对1诊断
收起
上海学而思爱智康
>
高考物理试题
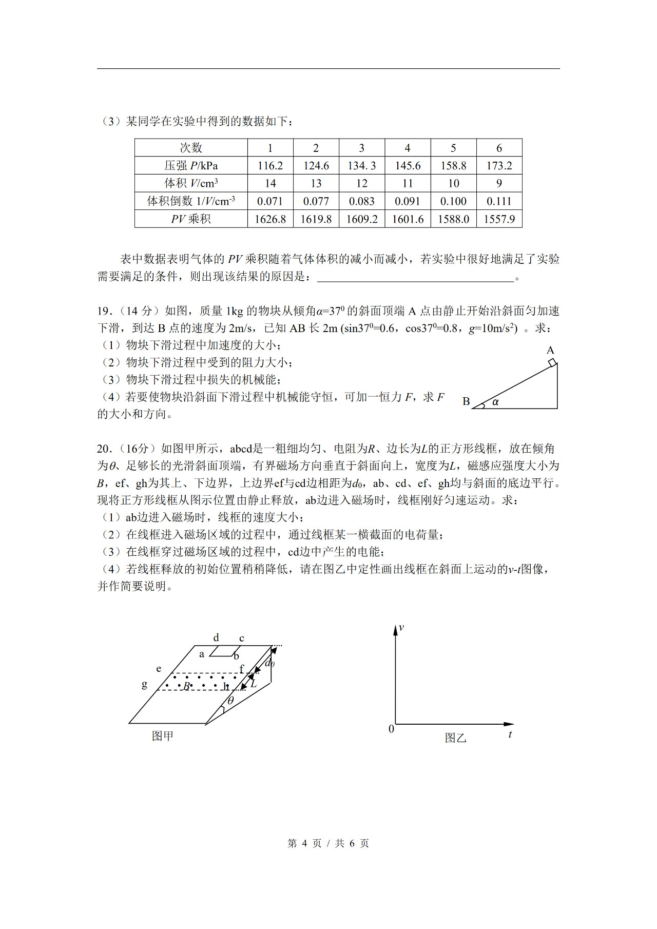
2020年上海松江区高三一模物理试题及答案(4)
2020-02-07 16:09:34
来源:
佚名
学而思99元买快课
72小时极速开课
点击预约99元快课
*1523人已预约,会尽快与您取得联系
点击预约→精品5人班 | 满足孩子个性化学习需求
首页
上一页
下一页
尾页
小初高知识点及学习资料【官网用户专享免费下载】
[预约小初高本地化课程] 面授1对1 | 面授八人班 | 在线课
最新资讯
小学古诗《竹石》
小学古诗《舟过安仁》
一对二辅导有哪些优势?一对二补课的好处
什么样的学生适合一对一辅导?一对一辅导适合
高考满分作文:24小时共享书店
学好高中历史的技巧